A NSIC- Crisil Rated Company
         
Company Profile
Product Range
Infrastructure
Applications
Latest News
Catalogue
Careers
Enquiry
Contact Us
 
 
                  
 
  Catalogue
 
 
 
 
Aerator Gear Boxes
 
     
  NVC - VERTICAL Units  
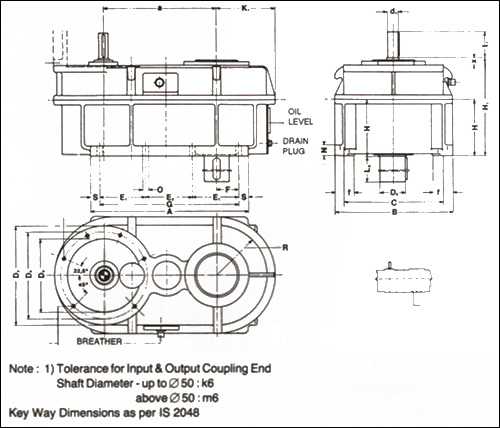
  Triple Reduction - Parallel Shafts - Main Dimensions (mm)  
 
 
     
 
Size of Gear
Unit
Avg. Wt. Kg.
Oil Qty. Ltrs.
GEAR HOUSING DIMENSIONS
Input Shaft
Output Shaft
A
B
C
E
E
F
G
H
H1
K1
N
O
R
S
f
a
X
D3
in upto 50
in above 50
D2
L2
d1
l1
d1
l1
125
140
160
120
150
190
5
7
9
400
430
470
300
330
370
250
280
320
170
185
205
-
-
-
80
85
90
340
370
410
140
160
180
265
290
320
153
170
190
20
25
30
18
18
18
125
140
160
30
30
30
70
75
75
295
330
372
24
22
24
250
300
350
25
30
30
60
80
80
20
25
25
50
60
60
65
70
80
140
140
170
180
200
225
250
340
450
14
18
28
520
570
630
430
470
520
360
400
450
225
250
280
-
-
-
100
110
125
450
500
560
200
225
250
355
390
430
215
235
260
35
40
45
23
23
23
180
200
220
35
35
35
80
80
80
405
452
510
35
29
28
350
400
450
35
40
45
80
110
110
30
35
40
80
80
110
90
100
110
170
210
210
250
280
320
600
800
1100
36
50
63
710
790
880
570
630
700
500
560
630
315
355
400
-
-
-
140
160
170
630
710
800
280
320
360
480
540
600
280
310
340
50
55
60
27
27
27
240
270
300
40
40
40
90
90
90
570
640
725
28
30
30
550
550
660
50
55
60
110
110
140
40
45
50
110
110
110
120
130
140
210
250
250
360
400
450
1500
2000
2500
80
125
160
960
1050
1150
790
880
990
710
800
900
430
320
350
-
310
350
180
200
225
860
950
1050
400
450
500
665
740
820
385
425
470
65
70
75
33
33
33
340
380
420
50
50
50
110
110
110
810
905
1020
30
31
 
660
660
 
65
70
80
140
140
170
55
60
65
110
140
140
160
170
190
300
300
350
500
3500
200
1250
1090
1000
400
350
250
1150
500
850
520
80
33
470
50
110
1140
 
 
90
170
70
140
210
350
 
     
 
Nominal
Transmission Ratio
Nominal Speeds
SIZE OF GEAR UNIT
125 140 160 180 200 225 250 280 320 360 400 450 500
in n1 n2
Nominal Gearbox Rating PN (Kw)
28 1500
1000
750
53
35,5
26,5
13,5
9,1
6,8
19
13
9,6
27,5
18,2
14
40
27
20
56
38
28
75
52
39
105
72
54
145
100
77
215
150
115
300
220
165
400
285
215
560
390
300
790
530
430
*31,5 1500
1000
750
47,5
31,5
23,6
12
8,1
6,1
17
11,5
8,6
24
16
13
34
23
17
49
33
25
69
46
35
95
65
49
130
91
68

200
130
100

280
200
150
380
255
190
510
360
270
700
490
380
35,5 1500
1000
750
42,5
28
21.2
11
7,2
5,4
15,5
70
7,7
22
15
11
32
22
16
46
30
23
62
41
31
87
58
43

120
82
61

180
120
90
250
180
130
340
230
175
450
320
240
630
460
340
*40 1500
1000
750
37,5
25
19
9,7
6,5
4,8
13,5
9,1
6,8
20
14
10
30
21
15
43
28
22
56
37
29
78
52
41
110
72
56
160
105
82
225
160
125
310
205
155
410
285
215
560
410
300
45 1500
1000
750
33,5
22,4
17
8,6
5,8
4,3
12,1
8,1
6,1
17
12
8,6
26
17
13
36
25
18
50
33
26
69
46
36
97
65
50
145
95
74
200
140
110
275
180
140
380
255
190
500
360
270
*50 1500
1000
750
30
20
15
7,7
5,1
3,8
11
7,2
5,4
15,5
11
8
23
15
12
32
22
16
44
31
23
62
43
32
87
60
44
130
87
65
180
125
90
245
165
120
340
230
170
480
320
240
56 1500
1000
750
26,5
18
13,2
6,8
4,6
3,4
9,7
6,4
4,8
14
9,5
7
20
14
10
28
19
15

39
27
21

55
38
28
77
53
40
115
77
59
150
100
77
220
145
110
310
205
150
430
285
215
*63 1500
1000
750
23,6
16
11,8
6,1
4,1
3,1
8,6
5,8
4,3
12,1
8,1
6,1
17,2
11,5
8,6
24
16
12
35
24
18
48
32
24
68
46
34
100
69
52
145
98
75
195
130
98
275
185
140
380
255
190
71 1500
1000
750
21,2
14
10,6
5,4
3,6
2,7
7,7
5,1
3,8
11
7,2
5,4
15,5
10
7,7
21,5
14,5
11

31
22
16

43
29
21,5
61
41
31
90
61
46
130
90
65
175
115
86
245
165
125
340
230
170
*80 1500
1000
750
19
12,5
9,5
4,8
3,2
2,4
6,8
4,6
3,4
9,7
6,5
4,8
14
9,1
7
19
13
9,6
29
19
14
38
25,5
19
54
36
27

82
54
40

120
80
63
155
100
77
220
145
110
300
205
150
90 1500
1000
750
17
11,2
8,5
4,3
2,9
2,2
6,1
4,1
3,1
8,6
5,8
4,3
12
8,1
6,5
17
11,5
9
26
17
13
34
23
17
48
32
24
74
49
37
105
72
56
140
92
69
200
130
100
270
180
135
*100 1500
1000
750
15
10
7,5
3,8
2,6
1,9
5,4
3,6
2,7
7,7
5,1
3,8
11
7,2
5,4
16
11
8
24
16
12
31
21
16
44
30
22
61
41
31
95
60
45
130
86
65
175
115
87
240
160
120
112 1500
1000
750
13,2
9
6,7
3,4
2,3
1,7
4,8
3,2
2,4
6,8
4,6
3,4
9,6
6,5
4,8
15
10
7,5
21
14
11
29
19
15
40
27
20
58
36
27
82
56
42
115
78
58
155
105
78
215
145
110
*125 1500
1000
750
11,8
8
6
3,1
2,0
1,5
4,3
2,9
2,2
6,1
4,1
3,1
8,6
5,8
4,3
12
8,1
6,1
17
11,5
8,6
24
16
12
34
23
17
48
32
24
68
46
34
96
65
48
135
91
68
190
130
96
 
     
 
Thermal Capacities (kw)
Unit Size
 
     
 
Nominal
Ratio
Input
Speed
RPM
Unit without fan
125 140 160 180 200 225 250 280 320 360 400 450 500
 

1500
1000
750

1500
1000
750

-
-
-
-
-
-
-
-
-
46
-
-
58
-
-
75
71
-
93
88
-
118
110
-
150
143
134
186
178
167
238
222
210
298
282
265
377
356
336
Unit with fan
-
-
-
-
-
-
-
-
-
-
-
-
-
-
-
-
-
-
-
-
-
178
-
-
222
200
-
282
250
-
356
316
265
444
397
337
564
500
420
 
     
 
 
 
 

Crane Duty Gear Boxes || Hardened & Ground Gear Boxes || Aerator Gear Boxes || Twin Screw Extruder Gear Boxes
Turbine Gear Boxes

Applications
Crane Gear Boxes || Extruders Gear Boxes || Turbines Gear Boxes || Agitators & Aerators Gear Boxes
Conveyors Gear Boxes Wind Mills Gear Boxes || Excavators & Stackers Gear Boxes || Rolling Mills Gear Boxes
Rubber and Plastic Machinery Gear Boxes
|| Chemical Industry Gear Boxes || Food Industry Gear Boxes
Mining Industry Gear Boxes
|| Oil Industry Gear Boxes || Steel Industry Gear Boxes

 
     
Copyright © 2009 by Nu-Teck Engineering Company Pvt. Ltd.
All Rights Reserved. Designed & Developed by Technosys